Vertriebsbüro 

                Henning Leiser               Deckensysteme und Streckmetall

Produktauswahl

Downloads

 

Impressum

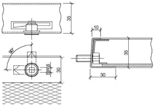
STERNKNOTENDECKE

Deckensysteme

Designdecken

Sternknotendecken

Bogen-Designdecken

Bogen-Klemmdecke

Gewölbe-Designdecken

Schwung-Designdecken

Wellen-Designdecken

Rauten-Designdecken

Präge-Designdecken

Küchendecken

E-Mail - Kontakt

zurück - 01 - 02 - weiter

Downloads für Sonderdecken:

 - Sternknotendecke (PDF 1,1 MB)

 - Ausschreibung Sternknotendecke

 - weitere Downloadmöglichkeiten

Die Möglichkeit von abklappbaren Elementen ist durch einen zusätzlichen Verriegelungs - Mechanismus in den Streckmetall - Elementen möglich.

Anschrift / Kontakt:

Vertriebsbüro Henning Leiser

Welckerstrasse 6 --- D-35305 Grünberg (Deutschland/Germany)

Tel: +49 (0) 6401-22388-0 --- Fax: +49 (0) 6401-22388-20